



Der RZT RevUp Kolben für den Simson SR2 ist ein hochwertiger Ersatzteil, der speziell für die Anforderungen des SR2-Grauguss-Zylinders entwickelt wurde. Durch präzise Anpassung von Toleranzmaßen, Konizität und Ovalität bietet dieser Kolben eine optimale Passform und erhöht die Standfestigkeit des Motors.
Hauptmerkmale:
-
Optimierte Passform: Speziell auf die Eigenschaften des SR2-Grauguss-Zylinders abgestimmt, um die Leistung und Langlebigkeit zu maximieren.
-
Verbesserte Haltbarkeit: Reduziert das Risiko von Klemmern, insbesondere bei leistungsstärkeren 4PS- und 5PS-Tuningzylindern, im Vergleich zu Standardkolben.
-
Hochwertige Kolbenringe: Aus beschichtetem Sphäroguss gefertigt, mit einer Höhe von 1,5 mm, gewährleisten sie eine effiziente Abdichtung und Langlebigkeit.
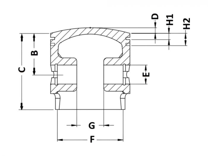
Technische Daten:
-
Nennmaß: 38,5mm
-
Kompressionshöhe (B): 26,0 mm
-
Kolbenhemdlänge (C): 58,0 mm
-
Kolbenkrone (D): 3,5 mm
-
Kolbenbolzen (E): 12,0 mm
-
Hemdbreite Einlass (F): 34,0 mm
-
Innenmaß Kolbenbolzen (G): 15,8 mm bis 16,5 mm
-
Position oberer Ring (H1): 4,0 mm
-
Position unterer Ring (H2): 8,0 mm
Dieser Kolben ist sowohl für Standardzylinder als auch für leistungsstärkere Tuningvarianten des SR2 geeignet und trägt zur Verbesserung der Motorleistung und -zuverlässigkeit bei.
Hauptstrasse 36a
08606 Tirpersdorf
E-Mail: webshop@rzt.de
Produktsicherheitshinweis
Angaben zur Produktsicherheit
Dieses Produkt entspricht den geltenden Anforderungen der EU-Richtlinie zur allgemeinen Produktsicherheit (GPSR) und anderen einschlägigen Vorschriften. Es wurde unter Berücksichtigung höchster Sicherheits- und Qualitätsstandards entwickelt und hergestellt.
Hinweise zur sicheren Verwendung:
- Verwenden Sie dieses Produkt ausschließlich gemäß des vorgesehenen Verwendungszwecks wie im Artikel angegeben.
- Stellen Sie sicher, dass Montage, Wartung und Betrieb gemäß den Anweisungen in der Produktdokumentation erfolgen.
- Der Einbau muss stets nach den Vorgaben der Reparaturanleitung erfolgen, um die korrekte Funktion sicherzustellen.
- Prüfen Sie das Produkt regelmäßig auf Schäden, Verschleiß oder andere Sicherheitsmängel.
- Nach dem Einbau ist das Produkt von einer qualifizierten Fachwerkstatt auf korrekten Einbau und einwandfreie Funktion zu prüfen.
- Bitte beachten Sie, dass Produktbilder abweichen können und nicht in jedem Detail die gelieferte Ware repräsentieren.
- Im Falle von Schäden oder unsachgemäßer Handhabung ist das Produkt nicht mehr sicher zu verwenden und muss ersetzt oder von einer qualifizierten Fachkraft überprüft werden.
- Beachten Sie zusätzliche länderspezifische Vorschriften und Normen.
Warnhinweise:
- Dieses Produkt ist nicht für Kinder unter 3 Jahren geeignet.
- Lesen und beachten Sie die vor Gebrauch die herstellerspezifische Dokumentation Ihres Fahrzeuges.
Hinweise zur Anpassung:
1. Produkttyp: Unsere Ersatzteile sind ausschließlich für die in der Produktbeschreibung angegebenen Fahrzeuge geeignet. Die Kompatibilität mit anderen Modellen kann nicht gewährleistet werden. Bitte beachten Sie, dass der Einbau dieser Ersatzteile strikt nach der jeweils gültigen Reparaturanleitung des Herstellers erfolgen muss. Dies stellt sicher, dass das Teil korrekt montiert ist und einwandfrei funktioniert. Eine unsachgemäße Montage kann zu Funktionsstörungen oder Sicherheitsrisiken führen. Zur abschließenden Kontrolle des Einbaus ist eine qualifizierte Fachwerkstatt zu konsultieren.
Kontaktinformationen: Ost2rad GmbH & Co. KG
Neuheider Straße 75
08304 Schönheide
Deutschland
Tel: 037755-663655 • E-Mail: firma@ost2rad.de
- Altershinweise: Speziell bei Reifen sind die Altershinweise zu beachten – der Produktionszeitraum ist auf dem Produkt zu erkennen. Beachten Sie die Vorgaben der StVZO oder wenden sich an einen technischen Dienst.
- Fachgerechter Einbau: Insbesondere für Ersatzteile oder Oldtimer-Motorräder ist der Hinweis auf den fachgerechten Einbau durch qualifiziertes Personal von besonderer Bedeutung.
Hinweis zur Entsorgung von Altbatterien
Der nachfolgende Hinweis betrifft die Endnutzer, die Batterien oder Produkte mit eingebauten Batterien nutzen:
Unentgeltliche Rücknahme von Altbatterien
Batterien dürfen nicht über den Hausmüll entsorgt werden. Sie sind gesetzlich zur Rückgabe von Altbatterien verpflichtet, damit eine fachgerechte Entsorgung gewährleistet werden kann. Sie können Altbatterien an einer kommunalen Sammelstelle oder im Handel vor Ort abgeben. Auch wir sind als Vertreiber von Batterien zur Rücknahme von Altbatterien verpflichtet, wobei sich unsere Rücknahmeverpflichtung auf Altbatterien der Art beschränkt, die wir als Neubatterien in unserem eigenen Sortiment führen oder geführt haben. Altbatterien vorgenannter Art können Sie daher entweder ausreichend frankiert an uns zurücksenden oder sie direkt an unserem Versandlager unter der folgenden Adresse unentgeltlich abgeben:
Ost2rad GmbH & Co. KG
Neuheider Straße 75
08304 Schönheide
Bedeutung der Batteriesymbole
Batterien sind mit dem Symbol einer durchgekreuzten Mülltonne gekennzeichnet. Dieses Symbol weist darauf hin, dass Batterien nicht in den Hausmüll gegeben werden dürfen. Bei Batterien, die mehr als 0,0005 Masseprozent Quecksilber, mehr als 0,002 Masseprozent Cadmium oder mehr als 0,004 Masseprozent Blei enthalten, befindet sich unter dem Mülltonnen-Symbol die chemische Bezeichnung des jeweils eingesetzten Schadstoffes - dabei steht "Cd" für Cadmium, "Pb" steht für Blei, und "Hg" für Quecksilber.

Verkauf von Starterbatterien
Gemäß § 10 BattG sind wir als Vertreiber von Fahrzeugbatterien verpflichtet, von Ihnen je Fahrzeugbatterie ein Pfand in Höhe von 7,50 Euro einschließlich Umsatzsteuer zu erheben, wenn Sie zum Zeitpunkt des Kaufs einer neuen Fahrzeugbatterie keine alte Fahrzeug an uns zurückgeben. Das Pfand wird Ihnen nach Vorlage eines schriftlichen oder elektronischen Rückgabenachweises (nach § 10 Abs. 1 S. 4 BattG), der zum Zeitpunkt der Vorlage nicht älter ist als zwei Wochen oder bei Rückgabe einer Fahrzeug-Altbatterie erstattet. Die Altbatterien können Sie entweder direkt bei uns unentgeltlich
oder an einer vom öffentlich-rechtlichen-Entsorgungsträger eingerichteten Rücknahmestelle (unter Umständen kostenpflichtig) zurückgeben.
Fahrzeug-Altbatterien sind Gefahrgut, daher dürfen diese keinesfalls per Post oder Paketdienst an uns zurückgesendet werden. Wird die Fahrzeug-Altbatterie nicht dem Pfand erhebenden Vertreiber zurückgegeben, ist derjenige Erfassungsberechtigte nach § 11 Abs. 3, BattG der die Fahrzeug-Altbatterie zurücknimmt, verpflichtet, Ihnen als Endnutzer auf Verlangen die Rücknahme ohne Pfanderstattung schriftlich oder elektronisch zu bestätigen. Bitte senden Sie in diesem Fall die Rücknahmebestätigung unter Angabe Ihrer Kundennummer an uns zurück, um eine schnellstmögliche Erstattung des Pfandbetrags an Sie zu ermöglichen.
Leider sind noch keine Bewertungen vorhanden. Seien Sie der Erste, der das Produkt bewertet.